微信


|
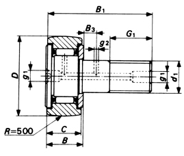
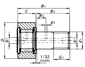
轴 径 mm |
轴 承 型 号 |
外 型 尺 寸 mm | ||||||
|
基本型 |
密封型 | |||||||
|
球面外径 |
圆柱外径 |
球面外径 |
圆柱外径 |
d 1 |
d |
c |
b | |
|
4.826 |
cr 8 r |
cr 8 |
cr 8 uur |
cr 8 uu |
4.826 |
12.700 |
8.731 |
9.525 |
|
cr 8-1 r |
cr 8-1 |
cr 8-1 uur |
cr 8-1 uu |
4.826 |
12.700 |
9.525 |
10.319 | |
|
6.350 |
cr 10 r |
cr 10 |
cr 10 uur |
cr 10 uu |
6.350 |
15.875 |
10.319 |
11.112 |
|
cr 10-1 r |
cr 10-1 |
cr 10-1 uur |
cr 10-1 uu |
6.350 |
15.875 |
11.112 |
11.906 | |
|
9.525 |
cr 12 r |
cr 12 |
cr 12 uur |
cr 12 uu |
9.525 |
19.050 |
12.700 |
13.494 |
|
cr 14 r |
cr 14 |
cr 14 uur |
cr 14 uu |
9.525 |
22.225 |
12.700 |
13.494 | |
|
11.112 |
cr 16 r |
cr 16 |
cr 16 uur |
cr 16 uu |
11.112 |
25.400 |
15.875 |
16.669 |
|
cr 18 r |
cr 18 |
cr 18 uur |
cr 18 uu |
11.112 |
28.575 |
15.875 |
16.669 | |
|
12.700 |
cr 20 r |
cr 20 |
cr 20 uur |
cr 20 uu |
12.700 |
31.750 |
19.050 |
19.844 |
|
cr 22 r |
cr 22 |
cr 22 uur |
cr 22 uu |
12.700 |
34.925 |
19.050 |
19.844 | |
|
15.875 |
cr 24 r |
cr 24 |
cr 24 uur |
cr 24 uu |
15.875 |
38.100 |
22.225 |
23.019 |
|
cr 26 r |
cr 26 |
cr 26 uur |
cr 26 uu |
15.875 |
41.275 |
22.225 |
23.019 | |
|
19.050 |
cr 28 r |
cr 28 |
cr 28 uur |
cr 28 uu |
19.050 |
44.450 |
25.400 |
26.194 |
|
cr 30 r |
cr 30 |
cr 30 uur |
cr 30 uu |
19.050 |
47.625 |
25.400 |
26.194 | |
|
22.225 |
cr 32 r |
cr 32 |
cr 32 uur |
cr 32 uu |
22.225 |
50.800 |
31.750 |
32.544 |
|
cr 36 r |
cr 36 |
cr 36 uur |
cr 36 uu |
22.225 |
57.150 |
31.750 |
32.544 | |



| ina skf ntn | iko thk | mcgill | |||
| 保持器型 | 無保持器 密珠型 |
保持器型 | 無保持器 密珠型 |
保持器型 | 無保持器 密珠型 |
| natr -5 | natv- 5 | nart- 5r | nart- 5vr | mcyrr- 5 | mcyr- 5 |
| natr- 6 | natv- 6 | nart- 6r | nart- 6vr | mcyrr- 6 | mcyr-6 |
| natr- 8 | natv- 8 | nart- 8r | nart- 8vr | mcyrr- 8 | mcyr- 8 |
| natr-10 | natv-10 | nart-10r | nart-10vr | mcyrr-10 | mcyr-10 |
| natr-12 | natv-12 | nart-12r | nart-12vr | mcyrr-12 | mcyr-12 |
| natr-15 | natv-15 | nart-15r | nart-15vr | mcyrr-15 | mcyr-15 |
| natr-17 | natv-17 | nart-17r | nart-17vr | mcyrr-17 | mcyr-17 |
| natr-20 | natv-20 | nart-20r | nart-20vr | mcyrr-20 | mcyr-20 |
| natr-25 | natv-25 | nart-25r | nart-25vr | mcyrr-25 | mcyr-25 |
| natr-30 | natv-30 | natr-30r | nart-30vr | mcyrr-30 | mcyr-30 |
| natr-35 | natv-35 | nart-35r | nart-35vr | mcyrr-35 | mcyr-35 |
| natr-40 | natv-40 | nart-40r | nart-40vr | mcyrr-40 | mcyr-40 |
| natr-45 | --------- | nart-45r | nart-45vr | mcyrr-45 | mcyr-45 |
| natr-50 | natv-50 | nart-50r | nart-50vr | mcyrr-50 | mcyr-50 |
| ina skf ntn | iko thk | mcgill | |||
| 保持器型 | 無保持器 密珠型 |
保持器型 | 無保持器 密珠型 |
保持器型 | 無保持器 密珠型 |
| ------------ | ------------ | cf5 | ------------ | mcfr-13 | |
| kr-16 | krv-16 | cf6r | cf6vr | mcfr-16 | mcf-16 |
| kr-19 | krv-19 | cf8r | cf8vr | mcfr-19 | mcf-19 |
| kr-22 | krv-22 | ------------ | ------------ | mcfr-22 | mcf-22 |
| ------------ | ------------ | cf10r | cf10vr | mcfr-22a | mcf-22a |
| kr-26 | krv-26 | ------------ | ------------ | mcfr-26 | mcf-26 |
| ------------ | ------------ | cf10-1r | cf10-1vr | mcfr-26a | mcf-26a |
| kr-30 | krv-30 | cf12r | vf12vr | mcfr-30 | mcf-30 |
| kr-32 | krv-32 | cf12-1r | cf12-1vr | mcfr-32 | mcf-32 |
| kr-35 | krv-35 | cf16r | cf16vr | mcfr-35 | mcf-35 |
| kr-40 | krv-40 | ------------ | ------------ | mcfr-40 | mcf-40 |
| ------------ | ------------ | cf18r | cf18vr | mcfr-40a | mcf-40a |
| kr-47 | krv-47 | ------------ | ------------ | mcfr-47 | mcf-47 |
| ------------ | ------------ | cf20-1r | cf20-1vr | mcfr-47a | mcf-47a |
| kr-52 | krv-52 | ------------ | ------------ | mcfr-52 | mcf-52 |
| ------------ | ------------ | cf20r | cf20vr | mcfr-52a | mcf-52a |
| kr-62 | krv-62 | ------------ | ------------ | mcfr-62 | mcf-62 |
| ------------ | ------------ | cf24r | cf24vr | mcfr-62a | mcf-62a |
| kr-72 | krv-72 | ------------ | ------------ | mcfr-72 | mcf-72 |
| ------------ | ------------ | cf24-1r | cf24-1vr | mcfr-72a | mcf-72a |
| kr-80 | krv-80 | cf30r | cf30vr | mcfr-80 | mcf-80 |
| kr-85 | ------------ | cf30-1r | cf30-1vr | mcfr-85 | mcf-85 |
| kr-90 | krv-90 | cf30-2r | cf30-2vr | mcfr-90 | mcf-90 |
| 重負荷凸輪從動軸承 | 重負荷滾子從動軸承 | ||||
| mcgill | ina fag ntn | mcgill | ina fag | ntn | |
| mcfd-35 | nukr-35 | mcyrd-15 | nutr-15 | nutr-202 | |
| mcfd-40 | nukr-40 | mcyrd-17 | nutr-17 | nutr-203 | |
| mcfd-47 | nukr-47 | mcyrd-20 | nutr-20 | nutr-204 | |
| mcfd-52 | nukr-52 | mcyrd-25 | nutr-25 | nutr-205 | |
| mcfd-62 | nukr-62 | mcyrd-30 | nutr-30 | nutr-206 | |
| mcfd-72 | nukr-72 | mcyrd-35 | nutr-35 | nutr-207 | |
| mcfd-80 | nukr-80 | mcyrd-40 | nutr-40 | nutr-208 | |
| mcfd-90 | nukr-90 | mcyrd-45 | nutr-45 | nutr-209 | |
| mcyrd-50 | nutr-50 | nutr-210 | |||
| 可選用部份 | mcgill | ina skf | thk | iko | ntn |
| 密封圈 | 加後綴 " s " | 加後綴 " pp " | 加後綴 " uu " | 加後綴 " uu " | 加後綴 " ll " |
| 圓柱外徑 | 加後綴 " x " | 加後綴 " x " | 去除後綴 " r " | 去除後綴 " r " | 加後綴 " x " |
| 六角孔 | 加後綴 " b " | 加後綴 " sk " | 加後綴 " a " | 加後綴 " b " | 加後綴 " h " |
| 偏心環 | 加後綴 " e " | 加後綴 " e " | ------------ | 加後綴 " e " | ------------ |
|
ccf-3/4-sb |
cf-1/2 |
ccfh-3/4-s |
ccf-11/16-sb |
cf-4 |
|
cf-1-sb |
cfh-1/2 |
ccf-7/8-sb |
cfe-11/16-sb |
cf-4-b |
|
cf-1/2-sb |
cf-1/2-b |
cf-7/8-sb |
ccfe-11/16-sb |
cf-4-s |
|
cf-1 1/2-sb |
cf-1/2-s |
cf-7/8-s |
cfh-11/16-sb |
cf-4-sb |
|
ccyr-1 3/4-s |
ccf-1/2-s |
ccf-7/8-s |
ccfh-11/16-sb |
ccf-4-s |
|
ccyr-1 5/8-s |
cfh-1/2-s |
cfh-2-sb |
cf-3/4 |
ccf-4-sb |
|
cfe-2-sb |
ccfh-1/2-s |
cfh-2-s |
cf-3/4-b |
cfe-4-sb |
|
cyr-3/4s |
cf-1/2-sb |
cfh-2 |
cf-3/4-s |
ccfe-4-sb |
|
cyr-1-s |
ccf-1/2-sb |
ccfh-2-s |
cf-3/4-sb |
cfh-4 |
|
cyr-5 |
cfe-1/2-sb |
ccfh-2-sb |
ccf-3/4-s |
cfh-4-s |
|
cyr-5-s |
ccfe-1/2-sb |
cfh-2-1/4-s |
ccf-3/4-sb |
cfh-4-sb |
|
ccyr-5-s |
cfh-1/2-sb |
ccfh-2-1/4-s |
cfe-3/4-sb |
ccfh-4-s |
|
cf-3/4 |
ccfh-1/2-sb |
cfh-2-1/2-s |
ccfe-3/4-sb |
ccfh-4-sb |
|
cf-3/4-b |
cf-5/8-n |
cfh-2-1/2-sb |
cfh-3/4 |
cyr-4-s |
|
cf-3/4-s |
cf-5/8-nb |
cyr-3/4 |
cfh-3/4-s |
ccyr-4-s |
|
cf-3/4-sb |
cf-5/8-nsb |
cf-1/2-n |
cfh-3/4-sb |
cf-5-sb |
|
ccf-3/4-s |
cf-5/8-ns |
cf-1/2-nb |
ccfh-3/4-s |
ccf-5-sb |
|
ccf-3/4-sb |
ccf-5/8-ns |
cf-3-1/4-sb |
ccfh-3/4-sb |
cfh-5-sb |
|
cf-1/2-b |
ccf-5/8-nsb |
ccf-3-1/4-s |
cyr-3/4 |
ccfh-5-sb |
|
cfh-3/4-sb |
cf-5/8 |
ccf-3-1/4-sb |
cyr-3/4-s |
ccyr-5-s |
|
cf-1/2-ns |
cfh-5/8 |
cfe-3-1/4-sb |
ccyr-3/4-s |
cf-6-sb |
|
cf-1/2-sb |
cf-5/8-b |
ccfe-3-1/4-sb |
cf-7/8 |
ccf-6-sb |
|
cf-1/2-nsb |
cf-5/8-s |
cfh-3-1/4 |
cf-7/8-b |
cfh-6-sb |
|
ccf-1/2-ns |
ccf-5/8-s |
cfh-3-1/4-s |
cf-7/8-s |
ccfh-6-sb |
|
ccf-1/2-nsb |
cfh-5/8-s |
cfh-3-1/4-sb |
cf-7/8-sb |
cyr-6-s |
|
cfh-1-3/4-s |
ccfh-5/8-s |
ccfh-3-1/4-s |
ccf-7/8-s |
ccyr-6-s |
|
ccfh-1-3/4-s |
cf-5/8-sb |
ccfh-3-1/4-sb |
ccf-7/8-sb |
ccf-9/16-sb |
|
ccfh-1-3/4-sb |
ccf-5/8-sb |
cyr-3-1/4 |
cfe-7/8-sb |
cyr-7-s |
|
cfh-1-3/4-sb |
cfe-5/8-sb |
cyr-3-1/4-s |
ccfe-7/8-sb |
cfh-7-sb |
|
cf-1/2-s |
ccfe-5/8-sb |
ccyr-3-1/4-s |
cfh-7/8 |
cf-3-1/4-s |
|
cfh-1-3/4 |
cfh-5/8-sb |
cf-3-1/2 |
cfh-7/8-s |
ccfh-3-1/2-sb |
|
cfh-1-5/8-s |
ccfh-5/8-sb |
cf-3-1/2-s |
cfh-7/8-sb |
ccfh-1-1/2-sb |
|
cfh-1-5/8-sb |
cf-11/16 |
cf-3-1/2-b |
ccfh-7/8-s |
cfh-3-1/2-s |
|
cfh-1-5/8-sb |
cfh-11/16 |
cf-3-1/2-sb |
ccfh-7/8-sb |
cfh-3-1/2-sb |
|
ccfh-1-5/8-s |
cf-11/16-b |
ccf-3-1/2-s |
cyr-7/8 |
ccfh-3-1/2-s |
|
ccfh-1-5/8-sb |
cf-11/16-s |
ccf-3-1/2-sb |
cyr-7/8-s |
cf-11/16-sb |
|
ccfh-1-1/2-s |
ccf-11/16-s |
cfe-3-1/2-sb |
ccyr-7/8-s |
cyr-3-1/2 |
|
cfh-1-1/2-s |
cfh-11/16-s |
ccfe-3-1/2-sb |
cf-3-1/4 |
ccyr-3-1/2-s |
|
cfh-1-1/2 |
ccfh-11/16-s |
cfh-3-1/2 |
cf-3-1/4-b |
cfh-1-5/8 |