微信
cb-b型低噪音大流量油泵外形美观、维修方便。采用斜齿轮后能使其流量大,脉冲小,噪音低,运转平稳,广泛用于胶合板机械,大流量输油,以及需要压力低于2.5mpa的液压系统,既能作为液压系统的动力源,也可作为润滑泵、输油泵使用。经防蚀处理后,可大流量输水,做水泵使用。
型号说明
具体参数
| 型号 | 流量 l/min | 额定压力 mpa | 额定转速 r/min | 容积效率 ηv% | 总效率 ηt% | 驱动功率 kw |
| cb-b160 | 160 | 2.5 | 1450 | ≥90 | ≥80 | 8.2 |
| cb-b200 | 200 | 10.1 | ||||
| cb-b250 | 250 | 13 | ||||
| cb-b300 | 300 | 15 | ||||
| cb-b350 | 350 | 17 | ||||
| cb-b400 | 400 | 20 | ||||
| cb-b500 | 500 | 24 |
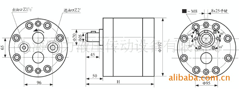
规格尺寸

| 型号 | cb-b160 | cb-b200 | cb-b250 | cb-b300 | cb-b350 | cb-b400 | cb-b500 |
| h | 196 | 210 | 228 | 245 | 263 | 280 | 316 |
油泵常见故障排除方法
