顶入式过滤器
产品介绍:
申龙顶入式过滤器是一种结构新颖合理、密封性好、流通能力强、操作简单等诸多优点,应用范围广泛、适应性强的多用途过滤设备。尤其是滤袋侧漏几率小,能准确地保证过滤精度,并能快捷地更换滤袋,过滤基本无物料消耗,使得操作成本降低。

材质 :sus304、sus316、sus316l 。
流入方式:顶进底出
工作压力(mpa):0.3~1.2
最高流量(m3/h):25 50 100 200 400 600
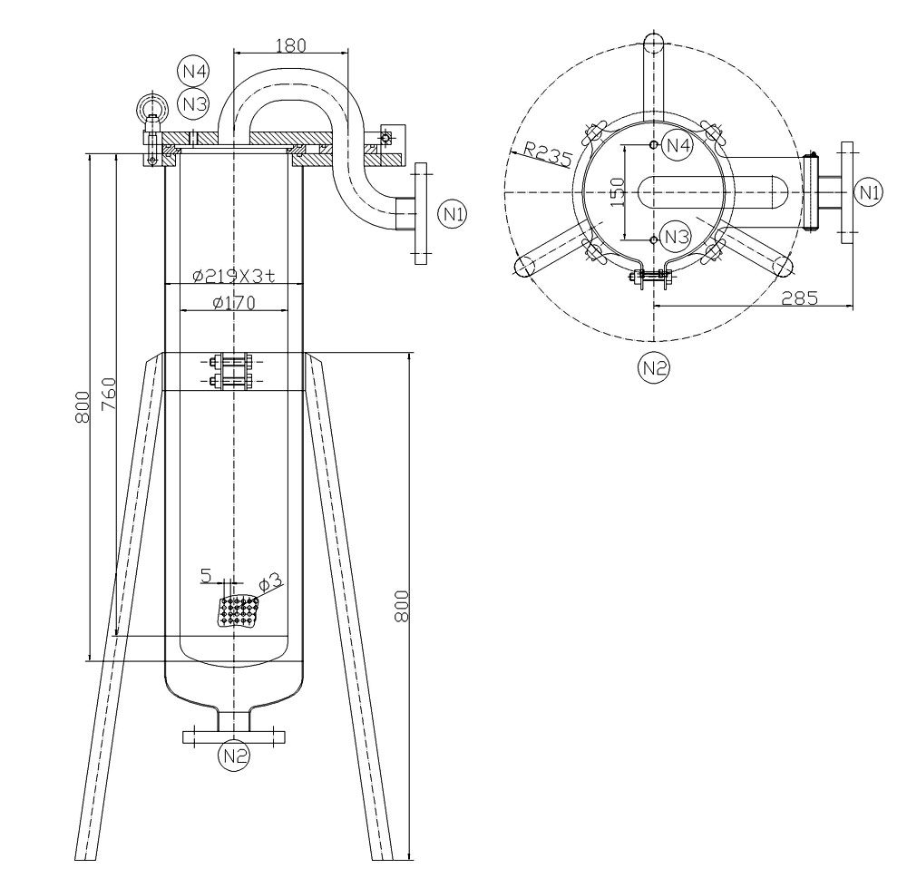
滤器容积(公升、约):13 27
活性炭滤芯:http://www.guolvxin.net/除尘布袋:http://www.chuchendai.com/滤袋:http://www.hzshenlong.com/申龙过滤:http://www.3long.cn/熔喷滤芯:http://www.hzshenlong.com/pprongpenlvxin/2012082036.html袋式过滤器:http://www.hzshenlong.com/daishiguolvqi/ 结构:五套sus304m16a4摇锤式环首螺栓多点平行锁合,电脑线切割整板制造使密封面板保证变形最小,密封性能最良好。180。顶入式弯管设计使进料更流畅和稳定。过滤器内部由冲孔板制作的网篮支撑着液体过滤袋,液体由进水口流入,经液体过滤袋过滤后流出,杂质则被拦截在液体过滤袋当中,过滤袋可更换或清洗。

出入口径 :2″(dn50)法兰连接,1/4″排气阀/ 压力表,可升降固定支架。表面处理内外玻璃珠打磨电解抛光均匀、易清洗。
电解抛光的特点: ①极大提高表面耐蚀性。由于电解抛光对元素的选择性溶出,使得表面生成一层致密坚固的富铬固体透明膜,并形成等电式表面。从而消除和减轻微电和腐蚀。
②电解抛光后的微观表面比机械抛光的更平滑。对不宜进行机械抛光的工件可用电解抛光进行处理。 ③电解抛光表面处理范围最高可达到(ra ≥0.4)。(现产品出厂标准(ra≥1.0)彻 底清除工件表面上的污垢和油脂,并极大限度的减少污垢和油脂再附着的条件。
④电解抛光易实现自动化生产, 生产效率高, 但相对成本较高。
⑤产品适用于以下方面生化、医药、化工、食品、饮料和水、超净水、化妆品洗涤用品、半导体工业用超纯净、染料、涂料、油漆。
我们生产的液体多袋式过滤器具有结构合理、密封性好、流通能力强、操作简便等诸多优点。尤其是液体过滤袋侧漏机率小,能准确地保证过滤精度,并能快捷地更换液体过滤袋,使得操作成本降低。袋式过滤器内外表面采用机械喷砂抛光处理,均匀、易清洗。过滤还可据客户使用要求,提供带吊拄手动、吊拄液压、吊拄弹簧辅助、弹簧辅助、平衡陀等多种形式的开启闭合装置,以满足不同客户的使用。
感谢您关注我们的产品,若您希望获得进一步的了解,如顶入式过滤器价格、顶入式过滤器规格型号等更多信息,欢迎您随时联络我们,诚邀为您提供最满意的服务!
精益求精,专业过滤,申龙过滤是您值得信赖的伙伴! [过滤袋、过滤器、除尘布袋、过滤芯、空气过滤器 http://www.hzshenlong.com/ ]