微信
tb150-10核心技术:
注意:以下参数值频率(hz)值为 50/60 得出,中国大陆电流频率一般为 50hz
最大风量(吐出)air flow(max) 60/75m3/min
最大静压(吐出)presure(max) 4/5.3kpa
性能 低噪音风机
用途:用于工业,如,各类设备,环保、医用、电子等行业
重量:82(千克)
功率:7.5(千瓦)
气流方向:回转式风机
材质:铝风机
风机压力:中压风机
品牌:欧冠ouguan
型号:全风鼓风机系列
类型:中压鼓风机
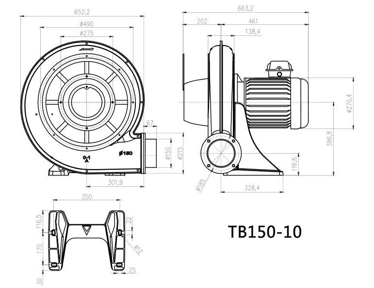
tb150-10中压鼓风机系列产品尺寸图如下:
