微信
中压鼓风机tb200-20简介:
tb200-20核心技术:
注意:以下参数值频率(hz)值为 50/60 得出,中国大陆电流频率一般为 50hz
最大风量(吐出)air flow(max) 90/100(立方米/分钟)
最大静压(吐出)presure(max) 550/700(毫米水柱)
性能 低噪音风机
用途 用于工业,如,各类设备,环保、医用、电子等行业
重量 188(千克)
功率 15(千瓦)
气流方向 回转式风机
材质 铝风机
风机压力 中压风机
品牌 欧冠ouguan
型号 东莞全风鼓风机系列
类型 中压鼓风机
超声波设备专用风机 中压风机
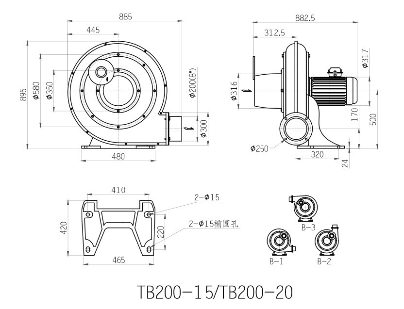
tb200-20中压鼓风机系列产品尺寸图如下:






